Dijital Bir Doğru Akım Güç Kaynağı

ArticleCategory: [Choose a category, do not translate this]

Hardware

AuthorImage:[Here we need a little image from you]

[Photo of the Author]

TranslationInfo:[Author + translation history. mailto: or http://homepage]

original in en Guido Socher

en to tr:Cem Aytar

AboutTheAuthor:[A small biography about the author]

Guido'nun Linux'u sevme nedenlerinden biri de, Linux'un kendi donanımınızı geliştirebilmeniz için çok iyi bir sistem olmasıdır.

Abstract:[Here you write a little summary]

Bir hobi olarak en iyi elektronik aletlerden birisi de güvenilir bir Doğru Akım güç kaynağıdır. Normal bir güç kaynağı ise en az 150 Euro.
Mikro Denetleyici tabanlı akıllı bir sistemle daha çok özelliklere sahip ve daha ucuz bir güç kaynağına sahip olabiliriz.

Bu konulara yabancı olanlara ilk önce şunu okumalarını tavsiye ederiz: Programming the AVR microcontroller with GCC.

Baskılı devre levhasının eviniz için fazla karmaşık buluyorsanız endişelenmeyin. Bütün parçalara ve düzgün kazınmış PCB'lere şu adresten ulaşabilirsiniz: shop.tuxgraphics.org.

ArticleIllustration:[This is the title picture for your article]

[Illustration]

ArticleBody:[The article body]

Giriş

2002'de linuxfocus.org'da Mikro Denetleyici tabanlı bir Doğru Akım güç kaynağı hakkında bir makale yazmıştım (LF November2002 article251) Aldığım e-postalara bakılırsa çok ilgi gören bir makaleydi. Fakat bu güç kaynağı tasarımı, devrenin biraz kamaşıklığından dolayı ileri düzey elektronik meraklılarına hitap ediyordu.

Şimdi de daha kolay fakat biraz daha fazla özelliklere sahip yeni bir tasarım yapacağız.
  1. Ucuz ve standart bileşenler
  2. Sadeece bir güç kaynağı (işlevsel kuvvetlendiriciler (OP Amp) için ayrı negatif besleme gerilimine gerek yok)
  3. Gösterge voltaj ve akım için aynı anda ilk ve gerçek değerleri gösterecek
  4. Güç kaynağınızı bağımsız olarak da kullanabileceksiniz, isterseniz bilgisayarınızdan da denetleyebileceksiniz.
  5. Çok küçük fakat güçlü olacak
Daha fazla özellik eklemek veya bazı bileşenleri kaldırmak mümkün olacak mı? İşin püf noktası Mikro Denetleyicilere işlevsel kuvvetlendiriciler (OP Amp) eklemek gibi daha önce analog bileşenlere oturtulmuş işlevselliğe yönelmek. Bir başka deyişle yazılım ve algoritma seviyesi daha yüksek, donanım seviyesi daha düşük. Bu, sadece yazılımın alınmasıyla sizin işinizi genel anlamda sadeleştirecektir. Bu aynı zamanda Atmega8'in yavaş yavaş gücünü kaybeden AT90S4433 Mikro Denetleyicisinden çok daha fazlasını yapabildiğini gösterdi.

Bu makalede aynı zamanda Atmega8 hakkında yeni şeyler öğreneceksiniz. Analog/Sayısal çeviriciyi kullanmayı da öğrenmiş olacaksınız. şimdi de diğer bir çok devreler için de kullanışlı olacak hızlı bir Analog/Sayısal çevirici ekleyelim.

Bu makalede donanım ve elekrikle ilgili konuları halledeceğiz. Daha sonra yazılım kısmını anlatmak için iki makale daha olacak. Yeri gelince yazılım değişiklikleriyle yeni özellikler de ekliyeceğiz.

Temel elektriksel tasarım fikri

Sadece devre şemasını ve nasıl yapılacağını açıklayabilirim. Muhtemelen çalışır fakat siz nasıl çalıştığını anlayamayacaksınız. Bir çok elektronik meraklısı bunu öğrenmek isteyecektir.

shop.tuxgraphics.org sayfasında geliştirme araçlarıyla birlikte güzel ve ücretsiz belgeler bulabilirsiniz. Belgelerde (örn. bu makale) araçların nasıl çalıştığını ve neden bu şekilde tasarlandığını açıklamaya çalışacağız. Anladağım şeyleri yapmayı daha eğlenceli buluyorum ve zannedersem siz de böylesini seviyorsunuz.

En basitinden kararlı bir güç kaynağı yapmaya başlayalım. 2 temel parça gerekli : bir transistör ve Z-diyotla oluşturulmuş referans gerilim.
simplest possible building block

Devrenin çıkış gerilimi Uref - 0.7V . Transistörde B ve E arası voltaj düşüşü yaklaşık olarak 0.7V . Girdi dalgalı, değişken bile olsa Z-diyot ve direnç kararlı bir referans gerilim oluşturur. Transistör, Z-diyot ve direncin sağladığı akımdan daha fazlasını tutmak ister. Bu konfigurasyonda transistör sadece akımı güçlendirecektir. Direncin ve Z-diyodun sağladığı akım, çıkış akımının hfe ile bölünmüş halidir (hfe transistörün veri sayfasından bakabileceğiniz bir sayı).

Bu devreyle alakalı problemler neler? Bu kısıtlamalar devrenizi kullanabilmeniz için oldukça önemli fakat bu devre elektronik olan bütün güç kaynaklarının temel taşıdır.

Bu problemlerin üstesinden gelebilmeniz için çıkıştaki akımı ve değişken referans gerilimini düzenleyecek zekice bir şeyler düşünmelisiniz. Hepsi bu kadar (... ve bu devreyi çok daha karmaşık yapar)

Son bir kaç on yıldır insanlar bu işi işlevsel kuvvetlendiricilerle (OP Amp) yapıyorlardı. İşlevsel göstericiler temelde analog hesap makinaları olarak toplama, çıkarma, çarpma işlemleri için veya mantıksal "veya" gerilim ve akımları olarak kullanılabilir.

Günümüz Mikro Denetleyicileri çok hızlı ve bu yazılım seviyesinde rahatça halledilebiliyor. İşin güzel tarafı bir yan etki olarak bedavadan bir ampermetre ve voltmetre elde edilmesi. Mikro Denetleyiciler içindeki kontrol döngüsü gerilimi ve akımı bir şekilde bilmek zorunda. Tek yapmanız gereken göstermek. Bir mikro denetleyicinin ihtiyaç duyduğu şey ise: DA çeviricinin çok hızlı çalışması gerekiyor. Eğer çıktıda bir kısa devre olursa hemen transistörün gerilimi düşürmemiz gerek aksi takdirde yanar. Hızlı derken milisaniyeleri kast ediyorum (en az işlevsel kuvvetlendirici kadar hızlı).

Atmega8 yeterince hızlı bir AD çeviriciye sahip fakat DA çevirici için aynı şeyler geçerli değil. DA çevirici elde etmek için dalga boyu modulasyonu ve analog bir alçak geçirgen filtre kullanmak mümkün fakat kısa devreden korunmayı yazılım aşamasında yapmak çok yavaş olacaktır. Peki nasıl hızlı bir DA çevirici yapabiliriz?

R-2R merdiveni

Bir DA çevirici yapmak için pek çok yöntem var fakat bizim mikro denetleyicimize iyi bir arayüz sağlayacak, hızlı ve ucuz bir çeviriciye ihtiyacımız var. "R-2R merdiveni" diye bilinen bir DA çevirici var. Sadece dirençlerden ve anahtarlardan oluşuyor. İki çeşit direnç var. Biri R diğeri 2R.
r2rladder

Yukarıdaki şekil 3 bitlik bir R2R-DA çeviricisi. Kontrol mantığı anahtarı GND ve Vcc arasında değiştirmek. Dijital bir "1" anahtarı Vcc'ye ve dijital bir "sıfır"ı da GND'ye bağlar. Bu devre ne işe yarar? Ritmik bir şekilde Vcc/8 voltluk bir gerilim sağlar. Z'nin dijital sayı olduğu yerde cıkış gerilimi Z * (Vcc/(Zmax+1)) 'dir. 3 bitlik AD çeviricisinde ise bu 0-7 'dir.

Çıkıştan da görüleceği gibi devrenin iç direnci R'dir.

Ayrı anahtarlar kullanmak yerine R-2R merdivenini mikro denetleyicinin çıkışlarına bağlayabiliriz. Atmega8'in bir çıkış pini 10mA 'lık bir akım sağlayabilir fakat bu akımda bir voltaj düşüşü olur. 0-5V arası değerlere ulaşabilmek için çıkıştaki akım 1mA'dan az olmalıdır. Bir başka deyişle 5K ve 10K 'lık dirençlerle bir R-2R merdiveni yapacağız.

Atmega8'in AD çeviricisi 10 bitlik bir çözünürlüğe sahip. Bu çözünürlüğü tam kullanabilmek için 10 bitlik bir DA çeviriciye ihtiyacımız var. Yani başka bir şey tarafından kullanılmayan 10 çıkış pini bulmalıyız. Bu biraz zor görüünebilir çünkü aynı zamanda klavye, LCD görüntüleyici ve I2C arayüzü de olacak fakat Atmega8 yeterince bu iş için uygun. İstediğimizi bize verecektir.

Biraz daha detaylı bir tasarım

Bu da yukarıdakı devrenin biraz daha detaylandırılmış hali.
detailed schematic idea

Sizi hayal kırıklığına uğratmak istemem fakat maalesef bu devre hala kullanilabilir değil. Bunun yanında en son devrenin anlaşılması adına çok önemli bir devre.
Peki devredeki yanlışlar neler? Genel olarak iki tane: Bunu düzeltmek için akıma ve gerilime kuvvetlendiriciler eklemeliyiz.

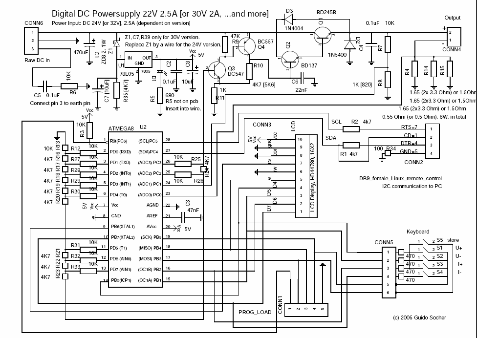
En son devre

Kuvvetlendiricileri eklerken büyük sinyallerle çalışacağını unutmamalıyız. Bir çok kuvvetlendirici tasarımında (örn. ses için) sinyallerin besleme geriliminden küçük olduğu tahmin edilir. Dolayısıyla klasik kitaplarda yer alan transistör kuvvetlendirici tasarımını unutun.

İşlevsel kuvvetlendiriciler (OP Amp) kullanabilirdik fakat bu bizim istemiyeceğimiz ekstradan pozitif ve negatif besleme gerilimi isteyecektir.

Kuvvetlendiricinn herhangi bir çıkış piki (peek) olmadan sıfır besleme geriliminden kararlı bir duruma geçmek için fazladan gereksinimler de var. Bir başka deyişle güç kaynağını açtığınızda herhangi bir salınım veya çıkış piki olmamalı.

O zaman ne yapmalıyız? Aslında kolay bir iş değil ve biraz tecrübe ister. Sizinle en son devreye gidelim ve gerekli hesaplamaları yapalım.

Güç transistörüyle başlıyalım. Veri sayfasına göre BD245B akım 3A iken hfe 20 oluyor. Dolayısıyla temelde 150mA'lık bir akım olacak. Akımı kuvvetlendirmek (akımı devreye gerekli olacak seviyeye indirgemek için) için "Darlington transistörü" diye bir konfigurasyon kullanacağız. Bunun için ön tarafa 50-100 arası hfe değerine sahip bir BD137 koyacağız. Bu da akımı istendiği gibi 3mA'nın altına düşürecek (150mA / 50). 3mA BC547/BC557 gibi küçük sinyal transistörleriyle yönetilebilir. Bunlar aynı zamanda bir gerilim kuvvetlendiricisi için de çok ideal.
amplifiers


30V'luk bir çıkış için en az 5V'un DAC ile 6 kat yükseltilmesi lazım. Bunun için aşağıda görüldüğü gibi PNP ve NPN transistörlerini birbirine bağlamalıyız. Gerilim kuvvetlendirici çarpanı :

Vampl= (R10 + R11)/R11  

Güç kaynağının 2 versiyonu var: Maksimum 30V ve maksimum 22V çıkış. 1K ve 5.6K'nın bir kombinasyonu 30V için iyi bir çarpan olan 6.6'yı verir. 22V için 1K ve 4.7K'yı kullanacağız.

BC547'nin temelinde görüldüğü gibi devrenin iç direnci :

Rin=hfe1 * S1 * R11 * R9 = 100 * 50 * 1K * 47K = 235 MOhm



- hfe 100 ve 200 arası (BC547 transistörü için)

-S bir transistörün kuvvetlenme eğrisinin eğimi ve değeri

 yaklaşık 50 [birim=1/Ohm]

Bu da iç direnci 5K olan bir DAC ile bağlantı için yeterince yüksek bir değer.

İçteki eşdeğer çıkış direnci ise :

Rout= (R10 + R11) / (S1 + S2 * R9 * R11) = yaklaşık 2 Ohm

BD137 için yeterince düşük bir değer.

R9 BC557'nin temelini yayıcıya (emitör) bağlar, bu da sıra DAC ve BC547'ye gelene kadar transistörün kapalı olduğu manasına gelir. R11 ve R10 BD137'nin temelini başlarken Darlington durumunu kapatacak toprağa bağlar.
Bir başka deyişle yükseltme aşamasında her bileşen başlangıçta kapalı durumda. Yani gücü açtığımızda bu transistörlerden ne salınım ne de çıkış pikleri alamayız.

Şimdi devrenin tasarımının nasıl yapılacağını görmüş oldunuz. devreyi kararlı hale getirmek için biraz koruma diyotları ve kapasitörler ekledik mi işlem tamamdır.
final circuit
Devrenin en son halinin büyük boyutu: [PNG] [PDF]
Köşeli parantezlerin arasındaki değerler 30V versiyonu için.

Devre şeması ve planı (pcb formatında) tar.gz formatında makalenin sonunda bulabilirsiniz.

Limitler

Bir çok okuyucunun devreyi biraz değiştirmek isteyeceğini daha önceki tecrübelerimden dolayı biliyorum. İşte bazı donanımların limitleri ve üstesinden nasıl gelinilebileceğine dair küçük bir liste :

78L05: maksimum giriş voltajı 30V, ZD8.2 bu limiti

       38V'a kadar genişletebiliyor. Farklı bir Z-diyot kullanarak biraz daha

       genişletebilirsiniz. 45V'u geçmenizi tavsiye etmem.

       Maksimum çıkış gerilimi giriş geriliminden en az 2V düşük 

       olmalı.



BD245B: 10A 80W, fakat 80W 25'C olmalı

	Yani bir güvenlik payı düşünürseniz 60W'ı kullanın

	(Maksimum çıkış gerilimi * Maksimum akım) < 60W



	Bir tane daha BD245B kullanarak 120W'a çıkabilirsiniz. 

	Akımın eşit dağılımı için her BD245B'nin

	yayıcı (emitör) hattına 0.22 Ohm direnç ekleyin. 

	Aynı devre ve devre kartı kullanılabilir. Transistörleri

	uygun bir alüminyum soğutucunun üstüne yerleştirin ve devre

	kartına kısa tellerle bağlayın.


Akım ölçüm şöntü:

	Bu 6W'lık 0.5 veya 0.55 Ohm dirençtir. Bu 3A'lik bir akım 

	için yeterli (Iout^2 * 0.55 <= 6W). Daha çok watt'lı

	daha yüksek akımlar için bir direnç kullanabilirsiniz. 

Güç Kaynakları

Bir transformatör, düzeltici ve büyük kapasitörler veya 32/24V 'luk bir laptop güç kaynağı kullanabilirsiniz. Ben ikincisini seçtim. Bu laptop güç kaynakları parçaları bazen çok ucuza bulunabiliyor ve bazıları 24V'ta hatta 32V'ta 70W sağlayabiliyor (DC).

Bir çok kişi kolay bulabildiği için bir transformatör almayı tercih ediyor.

22V 2.5A versiyonu: 18V 2.5A'lık bir transformatör, bir düzenleyici ve 

                    3000uF'lik bir kapasitör lazım. (gerekçe: 18 * 1.4 = 25V,

                                            	     amper başına en az 1000uF)



30V 2A version:     24V 2A'lık bir transformatör, bir düzenleyici ve

                    2200uF'lık bir kapasitör lazım. (gerekçe: 24 * 1.4 = 33.6V, 

						     amper başına en az 1000uF)



Daha fazla amper sağlayan bir transformatör almanın da bir sakıncası yok.

Devrenin yalıtımının doğruluğunu denetleyin. Kutunun içi açıkken dahi 110V/230V'luk herhangi bir parçasına dokunulamaz hale getirin. Şasenin bütün metal parçalarını toprağa bağlayın (devrenin GND'lerine değil).

Test Aşaması

Bütün lehimleme işlemlerinden sonra mikro denetleyicileri soketlere bağlamadan bir kaç temel test yapalım:

Test1: Devrenin güç girişine bir güç kaynağı (en az 15V) bağlayın ve gerilim düzenleyiciden 5V DC alabildiğinizi denetleyin.

Test2: Çıkış gerilimini ölçün. 0V olmalı.

Test3: 7. ve 26. pinleri bir kabloyla mikro denetleyiciye bağlayın (sokette mikro denetleyici yok). DC girişinde kullanılan volttan daha az bir miktar voltu çıkıştan elde edebilmelisiniz. Kabloyu kaldırın ve çıktı sıfıra geri gelmeli. Çıkışta herhangi bir kısa devre olmadığından emin olun.

Mikro denetleyiciyi devreye sok ve LCD test yazılımını digitaldcpower tar.gz paketinin içindeki komutlarla kullan.

make lcdtest

make lcdtestload

"ok works" yazısını görebilmeniz lazım.

Şimdi de en son yazılımı aşağıda anlatıldığı gibi yüklemelisiniz.

Yazılım

Meraklılar için her .c dosyasının yeterince uzun bir açıklamasını digitaldcpower tar.gz paketinin içindeki README dosyasının içine ekledim. Bol miktarda yorum da bulacaksınız. Olmazsa sadece yazılım kısmını anlatan başka makaleler de yazmayı planlıyorum. Bu makale yeterince uzun ve önce donanımı halletmeniz lazım.

Gelecek makalelerde yavaş yavaş yeni özellikler de ekleyeceğim: Yazılımı nasıl yükleyeceğinizi ve nasıl kullanacağınızı bilmek isteyeceksiniz.
digitaldcpower tar.gz paketini açın "cd" komutu ile dizine girin.
hardware_settings.h dosyasını donanım bilgisine göre düzenleyin. Burada voltmetre ve apmermetrenin ayarlarını da yapabilirsiniz. Dosyada yeterince yorum bulacaksınız.

gedit hardware_settings.h

Programcı kabloyu bağlayın ve devreye güç verin. Sonra da şunu yapın:

make wrfuse4mhz


Bu mikro denetleyicinin frekansını 4MHz'ye getirecektir. Yazılım 

bu frekans için tasarlandı.


make 


Bu yazılımı derleyecek.



make load


Bu da yazılımı yükleyecek.

Bir kaç resim ve fikir

Yapmış olduğum güç kaynağından bir kaç resim. Özellikle donanım ve mekanik bölümlerde resimler uzun açıklamalardan daha çok işe yarıyor.



ddcp1
Basit bir şey olabilir ama alüminyum kağıt ve iki tahtayla profesyonel bir görünüm elde edebilirsiniz.


ddcp2
Sadece alüminyumu iki defa katlayın. Profesyonel aletler olmadan da rahatlıkla yapılabilir.


pcbs
İki baskılı devre tahtası. Küçük olan klavye için.


ddcp3
Düğmeleri lehimlemeden önce kutunun üstünde yerlerini işaretleyin. Bu doğru yerlerden delmenizi kolaylaştıracaktır.


ddcp4
Küçük, özelliği çok ve güçlü bir devre.


ddcp4
Güç kaynağının en son hali.


Tadını çıkarın ... düşündüğünüzden çok daha fazlasını yapabilecek bir donanım.

Referanslar/Dosya indirme